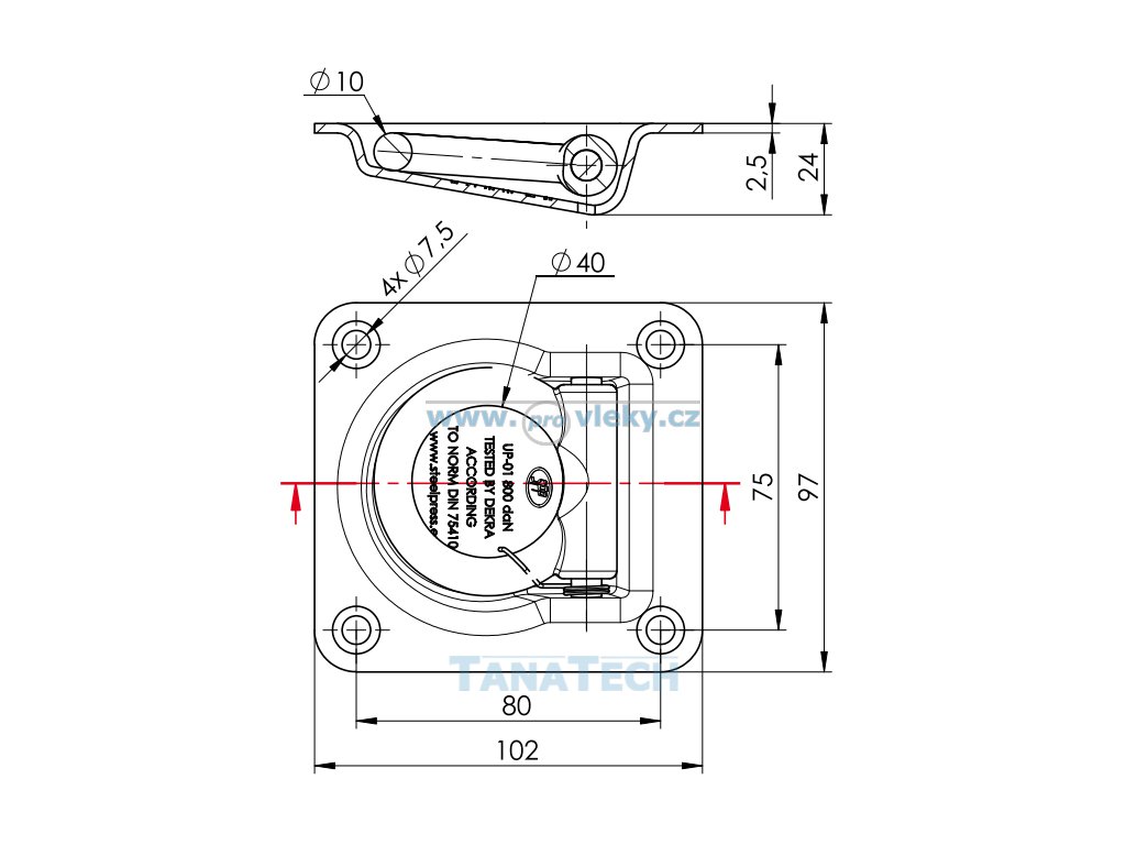
1.Kasteförmige ankernde Schüssel eingelassen, Tragkraft 800Kg, der Maß siehe Riss in beilegenen Gesamheit.
2.Voll eingelassene ankernde Schüssel hindert nicht auf der Lagerfläche des Anhänger. Bei der Fahrt klappert nicht, weil es mit Feder auf der Ankernöse ausgerüstet ist.
3.Ansicht von der Montage der ankernden Schüssel UP-01 mit der Unterlage.
Diskussion
Seien Sie der Erste, der einen Beitrag über diesen Artikel schreibt.
